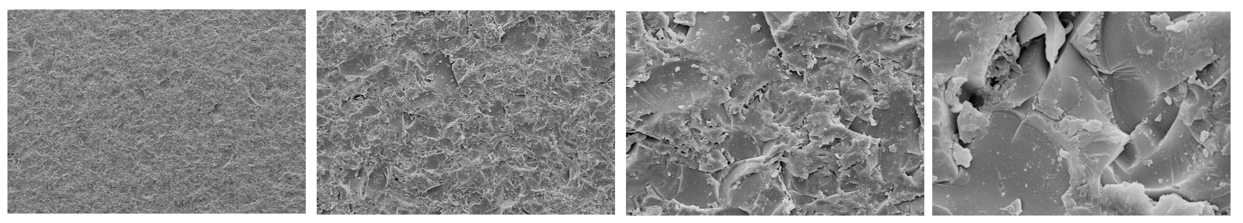
Surfaces of Uncoated Tablets and Glas
Comparison of untreated glas surface (1st row)
mechanically roughened glas surface (2nd row)
uncoated tablet sample (3rd row)
Glas surfaces serve as model systems in coating experiments.

Comparison of untreated glas surface (left)
and mechanically roughened glas surface (right)
primary magnification: 200x
primary magnification from left to right: 105x, primary magnification: 333x, primary magnification: 1030x, primary magnification: 5580x


